三极管即 BJT 双极型晶体管。
三极管放大时,关心的是信号失不失真。
三极管的放大并不是说凭空就增加了能量,能量不会凭空出现,也不会凭空消失。
三极管是流控型元器件,通过基极控制集电极的电流,由于集电极电压不变,所以控制的是功率。
不得不注意的是,尽管在模电教材里会有各种放大电路,共基,共集,共射等,各种复杂的计算公式,曲线,电路等效模型等天花乱坠的东西,学起来非常费劲。
但实际上 90% 工作,可能我们主要关注一个参数就行了,那就是电流放大倍数β,其它的通通用不到。
而且我们做产品,如果真要放大信号,那也是使用各种集成运放,不可能说是拿三极管搭建运放电路,多此一举。
绝大多数情况,我们是把三极管当作一个低成本的开关来使用的,作为开关,虽然 MOS 可能更为合 适,不过三极管价格更低,在小电流场景,三极管反而是用得更多的。
工作原理


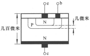
三极管由两个 PN 结组成,NPN三极管:
基区:薄且杂质浓度低。引出基极引脚。
集电区:面积大且杂质浓度低。引出集电极引脚。
发射区:杂质浓度高。引出发射区引脚。
(一)截止(发射结反偏,集电结反偏。)
三极管不工作。
正偏:P 区电压 > N 区电压
反偏:P 区电压 < N 区电压
(二)放大(发射结正偏,集电结反偏。)
如图为共射放大电路:

左侧的 PN 结加正向电压,扩散运动形成发射极电流。
电子从发射区向基区移动,少部分电子进入基区与空穴复合形成基极电流,因为基区很薄且浓度低,空穴少。并且加了反向电压,大部分电子都跑到集电区了。
在外电场的作用下,大部分的电子从基区穿过集电结到达集电区,漂移运动形成集电极电流,由于集电区的面积很大且杂质浓度低,电流远大于,起到了电流放大的效果。
、为限流电阻,本质是两个 PN 结,导通后近似短路,电流很大。
在放大状态下,和存在一定的关系,β 为放大倍数,通常在几百倍。。
(三)饱和(发射结正偏,集电结正偏。)
发射结正偏,集电结正偏,即两个 PN 结都导通。

单片机输出3.3V,(3.3 - 0.7 ) /1k*1k=2.6V,基极电压为 2.6 V,而LED那里,跟地之间只有三极管CE之间的压降,约0.2V,P > N正偏,满足条件。
饱和状态下,电子从发射区到基区,集电区由于正偏,收集电子的能力很弱,因此基区堆积了大量的电子,基区电子的浓度大于集电区,发生扩散运动,表现为CE之间导通,导通时CE之间的压降非常小,只有零点几伏。
饱和是一种“满”的概念,就是输入再多也无法让输出显著增加。
即使增大使增大,也基本不变,因为基区的电子的浓度太高了,扩散运动的速度达到了瓶颈。
共射特性曲线
(一)输入特性曲线

研究输入特性,那就要保证输出变量不变,输入变量变化,上面是一簇输入曲线。
当增大时,相同的下,基极电流减小。因为的增大加强了集电结的漂移运动,进入基区的电子变少了,基区的复合运动减弱,导致电流减小。
当时,曲线几乎不变了。因为到 1V 时,外电场已经强大到能把基区绝大多数的电子都吸过去了,再增大也没有多少电子可以吸了,因此电流不会明显变化了。
(二)输出特性曲线

研究输出特性,那就要保证输入变量不变,输出变量变化,上面是一簇输出曲线。
主要参数
迪嘉 MMBT3904T
绝对范围
超过即损坏。

集电极耗散功率,三极管的主要功耗在集电极-发射极回路,因此,否则会过热烧毁。

参数上的 O 表示,其它端开路情况下。X 表示,特定条件下测得。
(1)耐压相关
:发射极与基极耐压
:集电极与基极耐压
:集电极与发射极耐压
(2)电流相关
(3)速度相关
:
:
:
:
(4)放大参数
直流放大系数,就是常说的 β
(5)寄生电容
三极管作为开关时应考虑参数:
三极管放大时应考虑参数:
放大电路分析
等效电路
选型
三极管选型:
(1)先看集电极电流,这个代表着驱动能力。看手册中hFE最大的电流值,而不是绝对参数的极限值。所以我在选型的时候主要看hFE最大的时候的电流,然后不超过绝对电流就行了
这句话好像不对,好难。
(2)
做开关时,不用太关注 hFE的稳定性。
应用电路
三极管的应用电路几乎都是作为开关,也就是在饱和区(导通)和截止区(不导通)切换。
作为开关了,就不需要考虑 hFE 的稳定性了,因为不是放大电路了。
关键是求出 Rc 和 Rb 的阻值。
这个我现在还没有深刻的理解,只能先按照被人的经验。

开关有两种状态:0V 和 1.8/3.3/5V
0V 不用考虑,把 Vbe =0 就行了。
重点是怎么保证导通的时候,三极管能饱和导通。
有一个经验公式是
Ic由负载决定,不由三极管决定。
比如驱动 LED 灯:
查阅手册知道压降为 2.2V,最大正向电流为20mA,不需要那么亮,就取10mA,那么 ,所以选取标准电阻 270Ω 或 300Ω 都行。
所以可以选取电阻 2.2 K,用小一点的 1 K 也行,但是电流大一点,耗电一点。

以安美森 MMBT3904TT1G 为例。
下面的这个解释是错的,自己瞎想的,待修正。
验证这个的正确性:

看手册,10mA后放大倍数开始变小,把10mA当做临界区,超过10mA就是饱和了,集电极电流,所以电流比这个大就行了,能确保进入饱和区。

对于 NPN 三极管:
温度上升,增大。(三极管做开关时温度不用太考虑。)
增大,增大,但增大到一定程度会骤降。
三极管开关加速电容,VIN变化时,电容相当于短路,那这样R2是不是没作用了,不就烧毁了???

驱动 LED 灯
电平转换,反相

作用:
信号反相:输入高电平输出低电平
3.3V和5V转换:输入的信号是3.3V,输出的信号是5V,把VCC接5V就行了。
蜂鸣器电路
三极管作为开关。
电磁式蜂鸣器需加二极管
三极管作为开关时它的切换速度由什么决定的?
电磁式分蜂鸣器
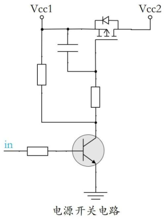
驱动 MOS 开关

三极管本身可以做开关,为什么还要驱动一个 MOS 开关。